欢迎访问郑州拓邦贸易有限公司
24小时热线:
132 - 5353 - 1245
首页
关于拓邦
公司简介
企业文化
公司资质
销售分布
产品中心
英高加油机
正星加油机
三金加油机
力牌加油机
加油机配件
IC卡物联网管理系统
物联网小型加注机
案例中心
经典案例
技术分享
服务中心
服务理念
售后服务
下载中心
合作咨询
资讯中心
公司新闻
行业新闻
媒体报道
联系我们
首页
服务中心
下载中心
下载中心
下载中心
L型柜式中油卡机连接加油机地基图
下载
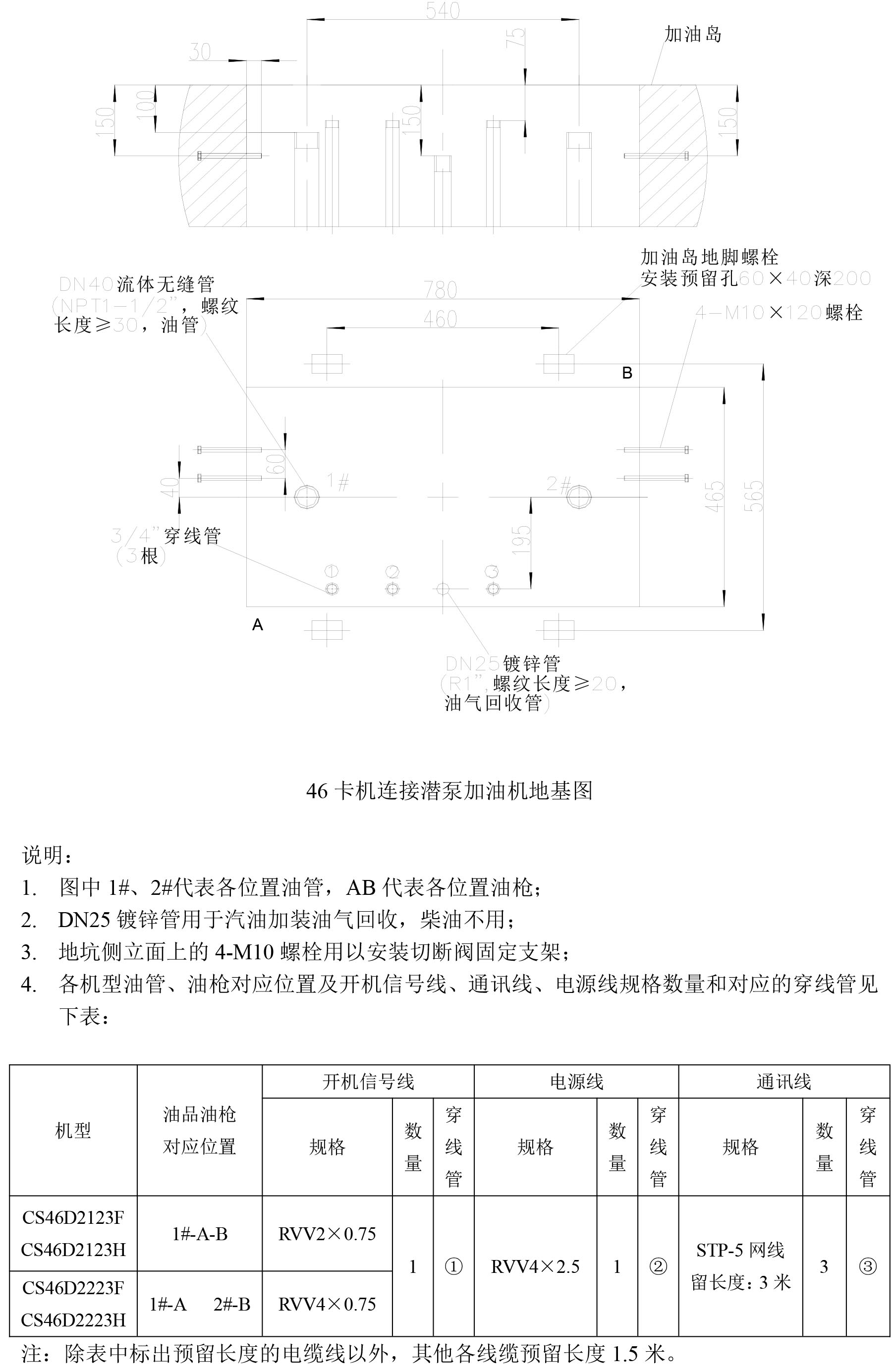
46卡机连接加油机地基图
下载
46卡机连接加油机地基图
下载
Eg1系列
下载
EG7P-636S-EG5D6363F-ZH18地基图(20191219更改)
下载
EG7P-444S-EG5D4443F-ZH18地基图(20191219更改)
下载
132 - 5353 - 1245